WUK接線系統,自鎖功能,產品概述等
接線系統
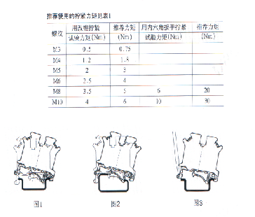
接線系統的功能是對導線進行機械和電氣的可靠連接,三門灣電器的壓線框能夠有效的實現此功能。一般電氣連接的導線選用銅質材料,為避免因材料熱膨脹系數的差異而產生不同程度的熱膨脹,避免端子中產生的機械應力及連接松動,為此我公司接線端子的金屬連接部分均采用銅質材料。正確的選材能確保產品保持有效的氣密度,低阻值,永久性連接。螺絲采用銅合金或鋼制成,導電體采用電解銅制成,壓線框采用抗應力裂縫的銅合金制成,這些金屬元器件的表面均采用鍍錫或鍍鎳加以保護,具有很強的內腐蝕能力。框壓式結構能確保及細的導線也能可靠連接。框壓式結構能具有自鎖功能,避免檢查和維修,減輕工作壓力。導電體上設計有橫紋,和導線連接時能夠增強摩擦力,具有抗拉扯能力,防止導線脫落。

自鎖功能原理
在額定截面為1.5-10mm2的的WUK系列接線端子中,壓線框均采用框壓式升降系統結構,通過升降壓線框上的Reakdyn-縫隙實現螺絲的自鎖,當螺絲擰緊,壓線框發生彈性變形,由此實現的自動步進自鎖可使得螺紋摩擦力逐步增大;螺絲頂在導電體上可使壓線框向上運動,從而使壓線框中的導線貼緊導電體并最終被夾緊,由于端子具有很高的接觸力,可使導線嵌入導電體表面的鍍層里。
產品概述
WUK系列接線端子的絕緣材料用改性的尼龍(PA66),能達到或超過IEC947-7-1及EN60947-7-1標準,具有良好的電氣性能和機械性能。螺絲用高強度的銅合金制成,導電體用電解銅制成,壓線框用抗應力裂縫腐蝕的合金銅制成,這些金屬表面還鍍錫或鍍鎳加以保護。設計完全符合IEC60947-7-1.GB14048.7等標準。全銅接線端子可避免鋼制金屬件和銅導線在潮濕的環境下的電池效應。端子中間有連接孔,可中心連接也可用邊插式連接件連接。可接1mm2-240mm2導線;WUK系列產品能在TH35-7.5或G32-18的導軌上任意安裝,通用性及高,全系列產品,包括普通端子,大電流端子,一進雙出端子,雙進雙出端子,雙層端子,三層端子,保險端子,試驗端子,刀閘端子,接地端子等各個性能,能滿足不同場合的接線需求。












